| Lista de límites de temperatura de la aplicación |
| Material | Temperatura media℃ | Material | Temperatura media℃ | |||||||||||||||||||||||||||||||||||||||||||||||||||
| PVC-C | -20℃~ 95℃ | PVC-U | -5℃~ 45℃ | |||||||||||||||||||||||||||||||||||||||||||||||||||
| FRPP | -20℃~ 120℃ | PPH | -20℃~ 110℃ | |||||||||||||||||||||||||||||||||||||||||||||||||||
| PVDF | 40℃~ 150℃ | |||||||||||||||||||||||||||||||||||||||||||||||||||||
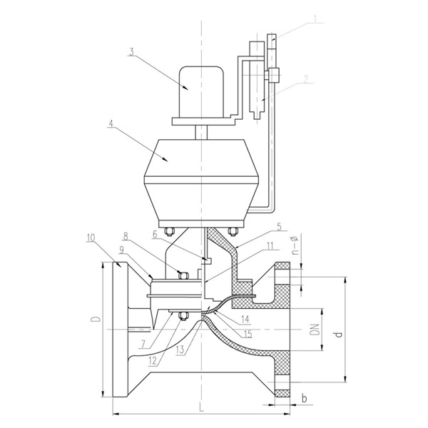
| Características estructurales del producto |
1. El diafragma de sellado está fabricado en F46 o PFA, con una resistencia al plegado de ≥ 120.000 veces y una resistencia a la corrosión comparable a la de F4.
2. El mecanismo de elevación tipo tornillo proporciona un bajo par de apertura y cierre y una excelente estabilidad.
3. El actuador se puede controlar de forma remota a través de una computadora o centro de control, controlando el flujo y el flujo del medio abriendo y cerrando la válvula. Esto proporciona mayor comodidad y velocidad, reduce los costos laborales y garantiza la seguridad de los trabajadores en el lugar.
| Tabla de materiales de piezas |

| No. | Nombre | Material | Cantidad. | ||||||||||||||||||||||||||||||
| 1 | Válvula solenoide | 1 | |||||||||||||||||||||||||||||||
| 2 | Manómetro | 1 | |||||||||||||||||||||||||||||||
| 3 | Dispositivo de retroalimentación de señal | 1 | |||||||||||||||||||||||||||||||
| 4 | Actuador neumático | Aleación de aluminio | 1 | ||||||||||||||||||||||||||||||
| 5 | Bonete | PPH、PVC-C、PVC-U、PVDF、FRPP | 1 | ||||||||||||||||||||||||||||||
| 6 | Tuerca de yugo | Acero SS、 Acero | 1 | ||||||||||||||||||||||||||||||
| 7 | Platina | Q345、SS Acero | 2 | ||||||||||||||||||||||||||||||
| 8 | Tornillo | Acero,StainlessSteel | 4 | ||||||||||||||||||||||||||||||
| 9 | Platina | Q345、SS Acero | 2 | ||||||||||||||||||||||||||||||
| 10 | Cuerpo | PPH、PVC-C、PVC-U、PVDF、FRPP | 1 | ||||||||||||||||||||||||||||||
| 11 | Vástago | Acero,StainlessSteel | 1 | ||||||||||||||||||||||||||||||
| 12 | Tapa de tuerca | Acero,StainlessSteel | 4 | ||||||||||||||||||||||||||||||
| 13 | Placa de válvula | PPH,PVC-C,PVC-U FRPP,PVDF/Hierro fundido |
1 | ||||||||||||||||||||||||||||||
| 14 | Película | EPDM,FPM | 1 | ||||||||||||||||||||||||||||||
| 15 | Diafragma | F46.PFA.PTFE | 1 | ||||||||||||||||||||||||||||||
| Lista de dimensiones |
| 规 格 | D | d | L | b | n- | ||||||||||||||||||||||||||||
| 15 | 95 | 65 | 125 | 14 | 4-Φ14 | ||||||||||||||||||||||||||||
| 20 | 105 | 75 | 135 | 18 | 4-Φ14 | ||||||||||||||||||||||||||||
| 25 | 115 | 85 | 145 | 18 | 4-Φ14 | ||||||||||||||||||||||||||||
| 32 | 135 | 100 | 160 | 18 | 4-Φ18 | ||||||||||||||||||||||||||||
| 40 | 145 | 110 | 180 | 20 | 4-Φ18 | ||||||||||||||||||||||||||||
| 50 | 160 | 125 | 210 | 22 | 4-Φ18 | ||||||||||||||||||||||||||||
| 65 | 180 | 145 | 250 | 24 | 4-Φ18 | ||||||||||||||||||||||||||||
| 80 | 195 | 160 | 300 | 24 | 8-Φ18 | ||||||||||||||||||||||||||||
| 100 | 225 | 180 | 350 | 28 | 8-Φ18 | ||||||||||||||||||||||||||||
| 125 | 245 | 210 | 400 | 30 | 8-Φ18 | ||||||||||||||||||||||||||||
| 150 | 280 | 240 | 455 | 30 | 8-Φ23x27 | ||||||||||||||||||||||||||||
| 200 | 335 | 295 | 570 | 40 | 8-Φ22 | ||||||||||||||||||||||||||||
| 250 | 390 | 350 | 680 | 38 | 12-Φ23 | ||||||||||||||||||||||||||||
| 300 | 445 | 400 | 680 | 38 | 12- Φ 23 | ||||||||||||||||||||||||||||
Accesorios de tubería de UPVC son más vulnerables a fallas en las juntas que los accesorios de tubería flexible de HDPE . ...
Ver másPara sistemas subterráneos de drenaje y alcantarillado, Accesorios de PVC generalmente son la mejor opción sobre accesor...
Ver másAl comparar los accesorios de UPVC y CPVC en cuanto a resistencia al calor, la respuesta es sencilla: Los accesorios de CPVC superan significativame...
Ver másEl coeficiente de expansión térmica de un válvula de PVC es significativamente mayor que el de las válvulas metálicas y moder...
Ver más