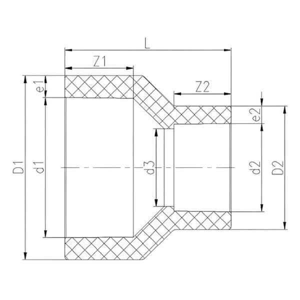
| Dimensión de conexión principal del reductor reductor de enchufe de fusión en caliente PPH | 
 
  | DN | D1 | D2 | d1 | d2 | l | Z1 | Z2 | 
| DN20X15 | 35 | 29 | 25 | 20 | 40 | 18 | 15 | 
| DN25X15 | 43 | 29 | 32 | 20 | 46 | 20 | 15 | 
| DN25X20 | 43 | 35 | 32 | 25 | 47 | 20 | 18 | 
| DN32X20 | 51 | 35 | 40 | 25 | 53 | 22 | 18 | 
| DN32X25 | 51 | 43 | 40 | 32 | 52 | 22 | 20 | 
| DN40X20 | 64 | 35 | 50 | 25 | 60 | 24 | 18 | 
| DN40X25 | 64 | 43 | 50 | 32 | 58 | 24 | 20 | 
| DN40X32 | 64 | 51 | 50 | 40 | 56 | 24 | 22 | 
| DN50X25 | 81 | 43 | 63 | 32 | 69 | 28 | 20 | 
| DN50X32 | 81 | 51 | 63 | 40 | 67 | 28 | 22 | 
| DN50X40 | 81 | 64 | 63 | 50 | 64 | 28 | 24 | 
| DN65X32 | 93 | 51 | 75 | 40 | 75 | 31 | 22 | 
| DN65X40 | 93 | 64 | 75 | 50 | 72 | 31 | 24 | 
| DN65X50 | 93 | 81 | 75 | 63 | 70 | 31 | 28 | 
| DN80X40 | 114 | 64 | 90 | 50 | 84 | 35 | 24 | 
| DN80X50 | 114 | 81 | 90 | 63 | 82 | 35 | 28 | 
| DN80X65 | 114 | 93 | 90 | 75 | 79 | 35 | 31 | 
| DN100X40 | 134 | 64 | 110 | 50 | 99 | 41 | 24 | 
| DN100X50 | 134 | 81 | 110 | 63 | 97 | 41 | 28 | 
| DN100X65 | 134 | 93 | 110 | 75 | 95 | 41 | 31 | 
| DN100X80 | 134 | 114 | 110 | 90 | 92 | 41 | 35 | 

 English
 English Español
 Español عربى
 عربى 简体中文
 简体中文











 
                        












