| Lista de límites de temperatura de la aplicación |
| Material | Temperatura media℃ | Material | Temperatura media℃ | |||||||||||||||||||||||||||||||||||||||||||||||||||
| PVC-C | -20℃~ 95℃ | PVC-U | -5℃~ 45℃ | |||||||||||||||||||||||||||||||||||||||||||||||||||
| FRPP | -20℃~ 120℃ | PPH | -20℃~ 110℃ | |||||||||||||||||||||||||||||||||||||||||||||||||||
| PVDF | 40℃~ 150℃ | |||||||||||||||||||||||||||||||||||||||||||||||||||||
| Características estructurales del producto |
1. Ligero: el PVC-U pesa solo 1/10 del peso del hierro fundido, lo que facilita su transporte e instalación y reduce costos.
2. Resistencia química superior: El PVC-U tiene una excelente resistencia a ácidos y álcalis, con la excepción de ácidos y álcalis fuertes cerca de su punto de saturación.
3. Durable: el PVC-U ofrece una excelente resistencia a la intemperie y es resistente a la corrosión por bacterias y hongos.
4. No conductor: El PVC-U no es conductor y no es susceptible a la corrosión por electrólisis o corriente eléctrica, eliminando la necesidad de procesamiento secundario. No es inflamable y no favorece la combustión, lo que elimina los problemas de seguridad contra incendios.
5. Baja resistencia y alto caudal: la pared interior lisa minimiza la pérdida de flujo de fluido y es menos probable que la suciedad se adhiera a la superficie lisa de la tubería, lo que hace que el mantenimiento sea simple y rentable.
6. Fácil instalación y bajo costo: cortar y unir son simples. El pegamento de PVC ha demostrado ser seguro, confiable, fácil de usar y rentable.
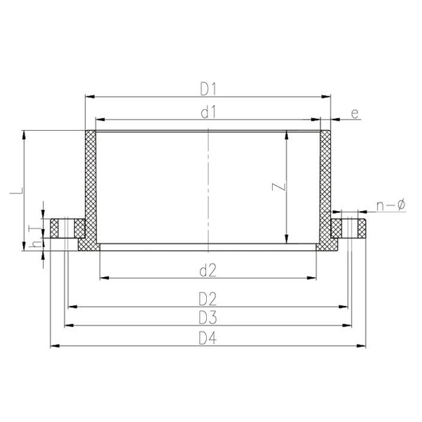
| Brida Vanstone de PVC-U |

| DN | D1 | D2 | D3 | D4 | d1 | d2 | L | T | h | Z | n-Φ | |||||||||||||||||||||
| 15 | 27 | 59 | 70 | 95 | 20 | 18 | 22 | 16 | 1.5 | 16 | 4-Φ15X20,5 | |||||||||||||||||||||
| 20 | 32 | 70 | 75 | 105 | 25 | 23 | 25 | 18 | 1.5 | 19 | 4-15X17,5 | |||||||||||||||||||||
| 25 | 40 | 79 | 90 | 125 | 32 | 29 | 28 | 18 | 1.5 | 22 | 4-Φ15X20,5 | |||||||||||||||||||||
| 32 | 50 | 89 | 100 | 140 | 40 | 36 | 31.5 | 20 | 1.5 | 26 | 4-Φ18X24,5 | |||||||||||||||||||||
| 4 | 61 | 98 | 110 | 150 | 50 | 4 | 37 | 20 | 2 | 31 | 4-Φ18X24 | |||||||||||||||||||||
| 50 | 75 | 120 | 125 | 165 | 63 | 58 | 44 | 25 | 2 | 38 | 4-Φ18X20,5 | |||||||||||||||||||||
| 65 | 88 | 140 | 145 | 185 | 75 | 69 | 50 | 25 | 2 | 44 | 4-Φ18X20,5 | |||||||||||||||||||||
| 80 | 105 | 150 | 160 | 200 | 90 | 84 | 57 | 26 | 2.5 | 51 | 8-Φ18X23 | |||||||||||||||||||||
| 100 | 127 | 175 | 190,5 | 229 | 110 | 105 | 67 | 26 | 2.5 | 61 | 8-Φ18X26 | |||||||||||||||||||||
| 125 | 161 | 210 | 250 | 140 | 130 | 84 | 28 | 12.5 | 77 | 8-Φ19 | ||||||||||||||||||||||
| 150 | 182 | 240 | 285 | 160 | 150 | 93 | 31 | 12.5 | 85 | 8-Φ23 | ||||||||||||||||||||||
| 200 | 249 | 295 | 339 | 225 | 215 | 127 | 36 | 16 | 119 | 8-Φ23X25 | ||||||||||||||||||||||
| 200 | 254 | 295.8 | 341 | 225 | 215 | 127 | 33.1 | 16 | 119 | 12-Φ22 | ||||||||||||||||||||||
| 250 | 308 | 350 | 395 | 280 | 267 | 154 | 40,5 | 16.5 | 144 | 12-Φ23 | ||||||||||||||||||||||
| 300 | 346 | 400 | 445 | 315 | 305 | 170 | 43 | 18 | 160 | 12-Φ23 | ||||||||||||||||||||||
| 350 | 395 | 460 | 505 | 355 | 340 | 176 | 43 | 16 | 164.5 | 16-Φ23 | ||||||||||||||||||||||
| 400 | 442 | 515 | 570 | 400 | 382 | 219 | 43 | 22 | 200 | 16-Φ27 | ||||||||||||||||||||||
| 450 | 494 | 565 | 625 | 450 | 430 | 220 | 40 | 27 | 210 | 20-Φ26 | ||||||||||||||||||||||
| 500 | 548 | 620 | 670 | 500 | 475 | 210 | 43 | 25 | 185 | 20-Φ27 | ||||||||||||||||||||||
Resistencia a altas temperaturas — ACCESORIOS DE TUBERÍA DE CPVC están diseñados específicamente para soportar l...
READ MORERequisitos de flujo (diámetro de tubería) El diámetro de un tubo de plastico Impacta directamente su capacid...
READ MORE1. Preparación adecuada de la superficie de tuberías y accesoios Una preparación adecuada de la superficie es esencial para garantizar una unión segu...
READ MOREEl suavidad de las superficies internas es una de las características de diseño más cruciales de Válvula de tubería de plástico PPH que ...
READ MORE